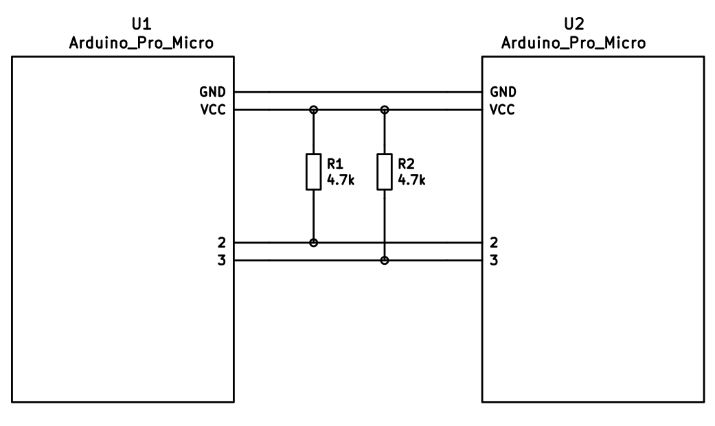
qmk_firmware/keyboards/lets_split/imgs/split-keyboard-i2c-schematic.png
2016-07-05 23:40:54 -04:00

26 KiB
1041x621px