This website requires JavaScript.
Explore
Help
Sign In
localhots
/
qmk_firmware
Watch
1
Star
0
Fork
0
You've already forked qmk_firmware
Code
Releases
Activity
qmk_firmware
/
keyboards
/
nyquist
/
imgs
/
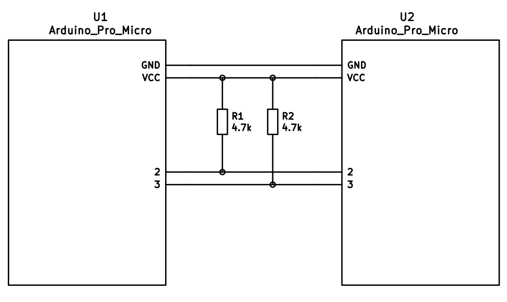
split-keyboard-i2c-schematic.png
Danny Nguyen
aeade1b197
Fork Let’s Split files
2017-05-29 16:04:46 -04:00
26 KiB
1041x621px
Raw
History